
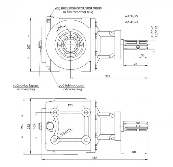
DS002
Sıra Arası Çapa Makinası
Özellikler
Çevrim Oranı | 1,61:1 |
Giriş Devri | 540 rpm |
Çıkış Devri | 334 rpm |
Giriş Gücü | 55 HP / 41 kW |
Çıkış Torku | 1137 Nm |
Yağ Cinsi | SAE 90 / SAE 140 |
Yağ Hacmi | 1,50 Lt. |
Ağırlık | 31 kg |
Kullanım Alanı | Sıra Arası Çapa Makinası |