
DS400
Katı Gübre Dağıtma Römorku
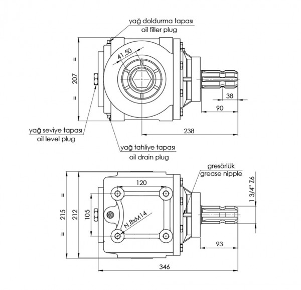
Özellikler
Çevrim Oranı | 1:1,61 |
Giriş Devri | 334 rpm |
Çıkış Devri | 540 rpm |
Giriş Gücü | 50 HP / 37 kW |
Çıkış Torku | 635 Nm |
Yağ Cinsi | SAE 90 / SAE 140 |
Yağ Hacmi | 1,50 Lt. |
Ağırlık | 30 kg |
Kullanım Alanı | Katı Gübre Dağıtma Römorku |