
DS002
Inter Row Rotary Cultivator
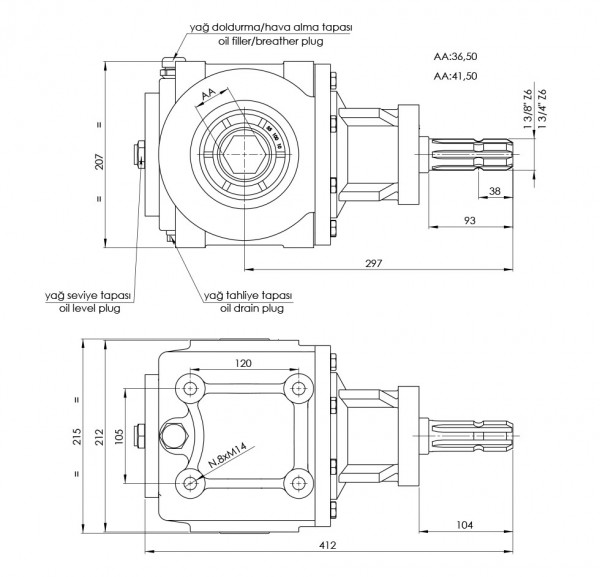
Specifications
Gear Ratio | 1,61:1 |
Input Speed | 540 rpm |
Output Speed | 334 rpm |
Input Power | 55 HP / 41 kW |
Output Torque | 1137 Nm |
Oil Grade | SAE 90 / SAE 140 |
Oil Volume | 1,50 Lt. |
Weight | 31 kg |
Usage Area | Inter Row Rotary Cultivator |