
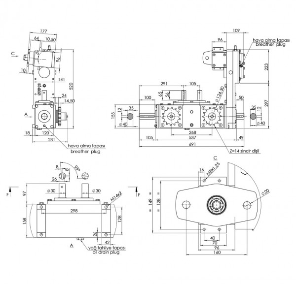
DS320
Corn Header
Specifications
Gear Ratio | 1:3,71 |
Input Speed | 540 rpm |
Output Speed | 2004 rpm |
Input Power | 25 HP / 19 kW |
Output Torque | 86 Nm |
Oil Grade | SAE 90 / SAE 140 |
Oil Volume | 3,50 Lt. |
Weight | 84 kg |
Usage Area | Corn Header |