
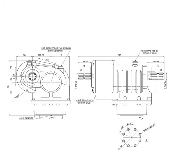
DS019
Dik Rotovatör
Özellikler
Vites | 1. Vites | 2. Vites |
Dişli Düzeni | 32-25 | 25-32 |
Çevrim Oranı | 2,65:1 | 1,62:1 |
Giriş Devri | 540 rpm | |
Çıkış Devri | 204 rpm | 333 rpm |
Giriş Gücü | 70 HP / 52 kW | |
Çıkış Torku | 2375 Nm | 1450 Nm |
Yağ Cinsi | SAE 90 / SAE 140 | |
Yağ Hacmi | 2,50 Lt. | |
Ağırlık | 67 kg | |
Kullanım Alanı | Dik Rotovatör |