
DS016
Katlanır Sıra Arası Çapa Makinası
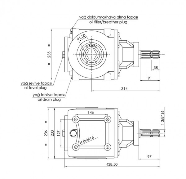
Özellikler
Çevrim Oranı | 1,86:1 |
Giriş Devri | 540 rpm |
Çıkış Devri | 290 rpm |
Giriş Gücü | 75 HP / 56 kW |
Çıkış Torku | 1787 Nm |
Yağ Cinsi | SAE 90 / SAE 140 |
Yağ Hacmi | 2,50 Lt. |
Ağırlık | 40,50 kg |
Kullanım Alanı | Katlanır Sıra Arası Çapa Makinası |