
DS001
Gübreli Ara Çapa Makinası
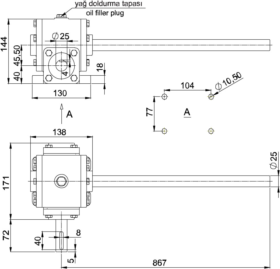
Özellikler
Çevrim Oranı | 15:1 |
Giriş Devri | 540 rpm |
Çıkış Devri | 36 rpm |
Giriş Gücü | 15 HP / 11 kW |
Çıkış Torku | 1750 Nm |
Yağ Cinsi | SAE 90 / SAE 140 |
Yağ Hacmi | 0,10 Lt. |
Ağırlık | 13 kg |
Kullanım Alanı | Gübreli Ara Çapa Makinası |