
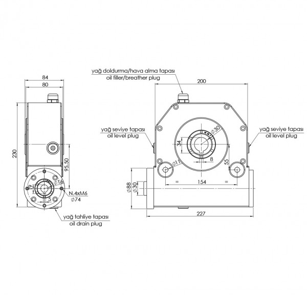
DS504
Kar Küreme Makinası
Özellikler
Çevrim Oranı | 40:1 |
Giriş Devri | 540 rpm |
Çıkış Devri | 14 rpm |
Giriş Gücü | 10 HP / 7 kW |
Çıkış Torku | 3150 Nm |
Yağ Cinsi | SAE 90 / SAE 140 |
Yağ Hacmi | 0,50 Lt. |
Ağırlık | 19 kg |
Kullanım Alanı | Kar Küreme Makinası |