
DS410
Katı Gübre Dağıtma Römorku
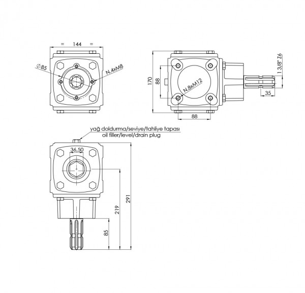
Özellikler
Çevrim Oranı | 1:1 |
Giriş Devri | 540 rpm |
Çıkış Devri | 540 rpm |
Giriş Gücü | 33 HP / 25 kW |
Çıkış Torku | 422 Nm |
Yağ Cinsi | SAE 90 / SAE 140 |
Yağ Hacmi | 0,50 Lt. |
Ağırlık | 15 kg |
Kullanım Alanı | Katı Gübre Dağıtma Römorku |