
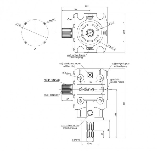
DS323
Mısır Tablası
Özellikler
Çevrim Oranı | 2,07:1 |
Giriş Devri | 1200 rpm |
Çıkış Devri | 579 rpm |
Giriş Gücü | 60 HP / 45 kW |
Çıkış Torku | 715 Nm |
Yağ Cinsi | SAE 90 / SAE 140 |
Yağ Hacmi | 1,50 Lt. |
Ağırlık | 23 kg |
Kullanım Alanı | Mısır Tablası |