
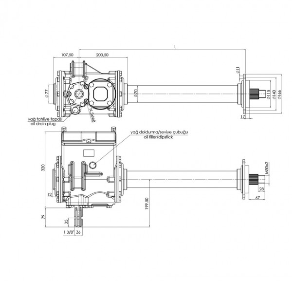
DS014
Rotary Tiller
Specifications
Gearshift | First Gear | Second Gear | Third Gear | Fourth Gear |
Gear Arrangement | 21-17 | 20-18 | 18-20 | 17-21 |
Gear Ratio | 2,03:1 | 1,82:1 | 1,48:1 | 1,33:1 |
Input Speed | 540 rpm | |||
Output Speed | 266 rpm | 296 rpm | 365 rpm | 406 rpm |
Input Power | 40 HP / 30 kW | |||
Output Torque | 1017 Nm | 914 Nm | 741 Nm | 666 Nm |
Oil Grade | SAE 90 / SAE 140 | |||
Oil Volume | 3,50 Lt. | |||
Usage Area | Rotary Tiller | |||
L = Producible according to the your request |
Rotary Tiller | |
Working Width | L |
120 cm | 600 mm |
140 cm | 700 mm |
160 cm | 800 mm |
180 cm | 900 mm |