
DS003
Rotary Tiller
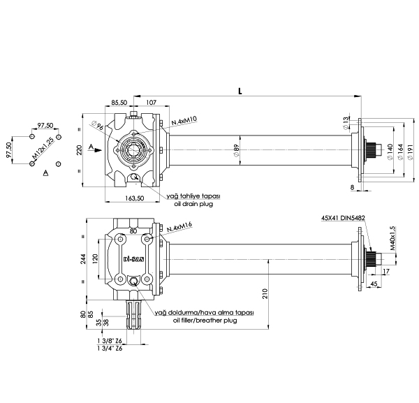
Specifications
Gear Ratio | 1,69:1 |
Input Speed | 540 rpm |
Output Speed | 319 rpm |
Input Power | 40 HP / 30 kW |
Output Torque | 865 Nm |
Oil Grade | SAE 90 / SAE 140 |
Oil Volume | 1,50 Lt. |
Usage Area | Rotary Tiller |
L = Producible according to the your request |
Fixed Rotary Tiller | |
Working Width | L |
155 cm | 790 mm |
180 cm | 915 mm |
210 cm | 1040 mm |
240 cm | 1165 mm |
Hydraulic Side Shifting Rotary Tiller | |
Working Width | L |
155 cm | 683 mm |
180 cm | 683 mm |
210 cm | 808 mm |
240 cm | 808 mm |