
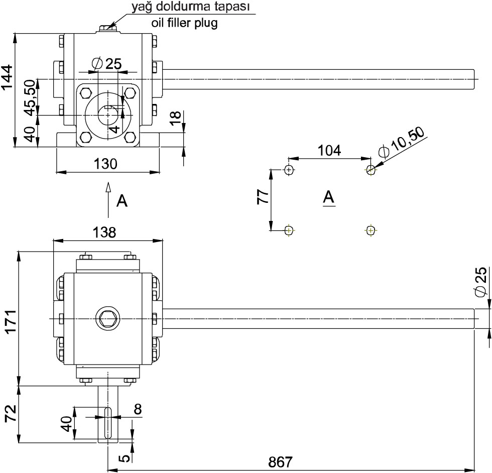
DS001
Fertilizer Hoe Machine
Specifications
Gear Ratio | 15:1 |
Input Speed | 540 rpm |
Output Speed | 36 rpm |
Input Power | 15 HP / 11 kW |
Output Torque | 1750 Nm |
Oil Grade | SAE 90 / SAE 140 |
Oil Volume | 0,10 Lt. |
Weight | 13 kg |
Usage Area | Fertilizer Hoe Machine |